搜索
ZDLQ、ZDLX型
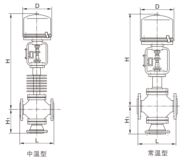
ZDLQ、ZDLX型

电子式电动三通调节阀

技术参数


概述

ZDLQ、ZDLX型电子式电动三通调节阀是由3610L系列电子式电动执行机构与三通阀调节机构组成。电动执行机构内有伺服系统,无需另配伺服放大器,有输入讯号及电源即可控制运转,连线简单。调节机构有合流和分流两种作用方式,在某些场合可以替代两个二通阀和三个三通接管而得到广泛应用。常用于热交换器的两相调节及简单的配比调节。